麦米电气旗下品牌
股票代码:002851
应用于晶圆检测系统、冲压、激光切割或焊接、贴片机、倒晶封装 / 固晶机、焊线机、PCB 打孔机、PCB 测试机、平板显示器、医疗器械、 通用自动化系统 ...
产品特点 单位整机尺寸推力较大,铁芯增强磁场强度 高动态性能应用 去齿槽力技术专利 有铁芯去齿槽力技术 多绕组设计 灌封技术 |
结构特点 有铁芯技术,低齿槽力 高持续推力和峰值力 高电机常数 多个线圈长度可选 持续推力 :119.4N~6368N 峰值推力 :253.5N~13520N |
电机型号 | 单位 | ZW8-H50-1 | ZW8-H50-2 | ZW8-H50-4 |
绕组代号 | S | S | FSP | |
性能参数 | ||||
最大推力 | N | 422.5 | 845 | 1690 |
连续推力 | N | 199 | 398 | 796 |
最大功率 | W | 4259 | 4259 | 8518 |
连续功率 | W | 3009 | 3009 | 5683 |
正向吸力 | N | 650 | 1300 | 2600 |
电气特性 | ||||
最大电流 | Arms | 14.52 | 14.52 | 29.04 |
连续电流 | Arms | 4.84 | 4.84 | 9.68 |
推力常数 | N/Arms | 41.12 | 82.23 | 82.23 |
线反电动势 | Vpeak/ (m/s) | 33.86 | 67.71 | 67.71 |
线电阻 | Ohms | 1.3 | 2.5 | 1.3 |
线电感 | mH | 33 | 66 | 33 |
时间常数 | ms | 25.98 | 25.98 | 25.98 |
电机常数 | N/Sqrt (W) | 29.79 | 42.13 | 59.58 |
最高线圈温度 | ℃ | 130 | 130 | 130 |
最大端电压 | VDC | 600 | 600 | 600 |
机械特性 | ||||
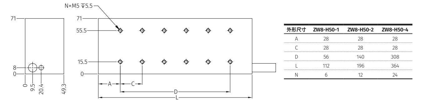
初级长度 | mm | 112 | 196 | 364 |
初级质量 | Kg | 2.2 | 4.1 | 7.9 |
次级质量 | Kg/m | 4.7 | 4.7 | 4.7 |
电磁周期 | mm | 42 | 42 | 42 |
FV曲线@310V |
|
外形尺寸 |
|
线圈尺寸 |
|
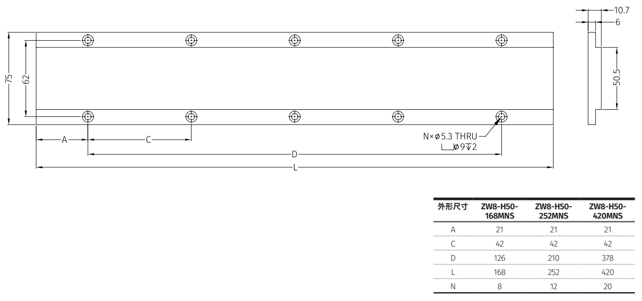
磁轨尺寸 |
|