麦米电气旗下品牌
股票代码:002851
主要应用于汽车电子、显示检测(数码管、液晶屏、LED 显示屏)、医药、食品、精密零件加工、尺寸测量、产品定位等多种领域。使产品运行到相应位置后,进行测量、计数、检测、智能判定的目的
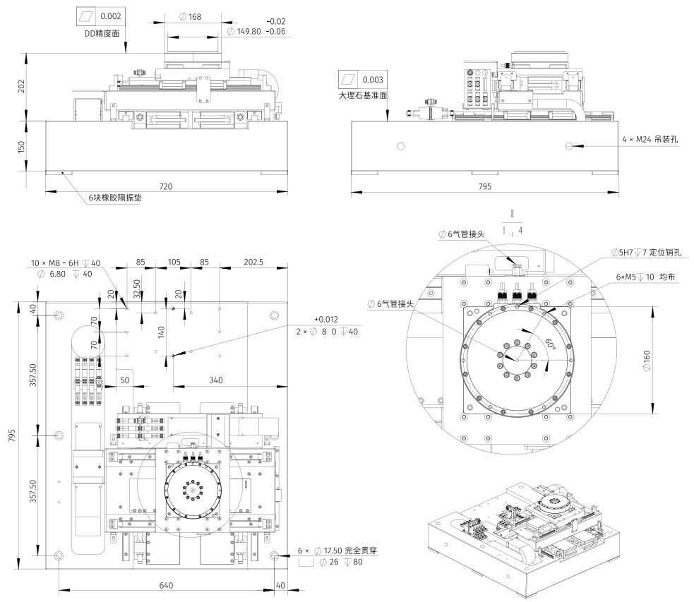
产品特点 高精密、高稳定直驱结构设计 非接触式高精度光栅尺 XY 采用高精密级直线导轨 行程、尺寸和线缆可根据客户要求定制 配备非接触式高精度光栅尺,具备非常优秀 的动态性能、定位精度和重复定位精度 |
结构特点 采用 XYR 叠加结构,无铁芯直线电机直驱控 制,无齿槽效应,在低速下可平滑运行(速度 波动小) DD 端面跳动小于 2um 组装后平台整体平面跳动小于10um 全行程重复性小于 ±1um 定位精度小于 ±2um |
定制化 可以根据客户需求配置、行程、负载、 特殊结构等进行评估定制 |
平台型号 | ZWDM-X160-Y160-R30-AOIMJ | ||
轴向 | X轴 | Y轴(双电机) | R轴 |
电机型号 | ZWU-60A-1 | ZWU-60A-2 | ZWD170 |
持续推力 | 170N | 326.8 N | 5N.m |
峰值推力 | 850N | 1649 N | 14 N.m |
持续电流 | 4.1 Arms | 4.0 Arms | 1.4 Arms |
峰值电流 | 20.7 Arms | 20.0 Arms | 4.2 Arms |
机械参数 | |||
轴系 | X轴 | Y轴 | R轴 |
有效行程 | 160 | 160 | ±15° |
负载 | DD+5kg | X+DD+5kg | 5kg |
速度 | 1m/s | 1m/s | 120 rpm |
加速度 | 1G | 1G | - |
停顿时间 | - | - | - |
重复精度 | ±1um | ±1um | ±1.5 arc sec |
定位精度 | ±2um | +2um | +3 arc sec |
直线度 | ±2 um | ±2um | - |
平面度 | ±2um | ±2um | - |
端面调动 | - | - | ±2 um |
整体平面跳动 | 10 um | ||
安装方式 | 水平 | ||
