麦米电气旗下品牌
股票代码:002851
应用:晶圆检测系统、贴片机、倒晶封装/固晶机、焊线机、PCB 测试机、气浮轴承系统、三次元测量机、光学设备生产、医疗器械、通用自动化系统、精密 3D 打印、用于 LDI 曝光机进行IC载板、FPC、HDI板和多层板数字成像
产品特点 无吸力 电机优选搭配气浮轴承 速度稳定性优于 0.1% 有效负载较小但需要较高运动速度和加速度的应用 温升抑制到:0.15°C/W 推力波动:小于 0.5% 无铁芯技术 无齿槽力 高持续推力和峰值力 霍尔传感器模块可选 高电机常数 推力范围广 选配:强制空气冷却 |
结构特点 无铁芯技术,无齿槽力 高持续推力和峰值力 霍尔传感器模块可选 体积小,高电机常数 推力范围广,规格种类齐全 持续推力 :26N~850N 峰值推力 :144N~4250N |

FV曲线@310V |
|
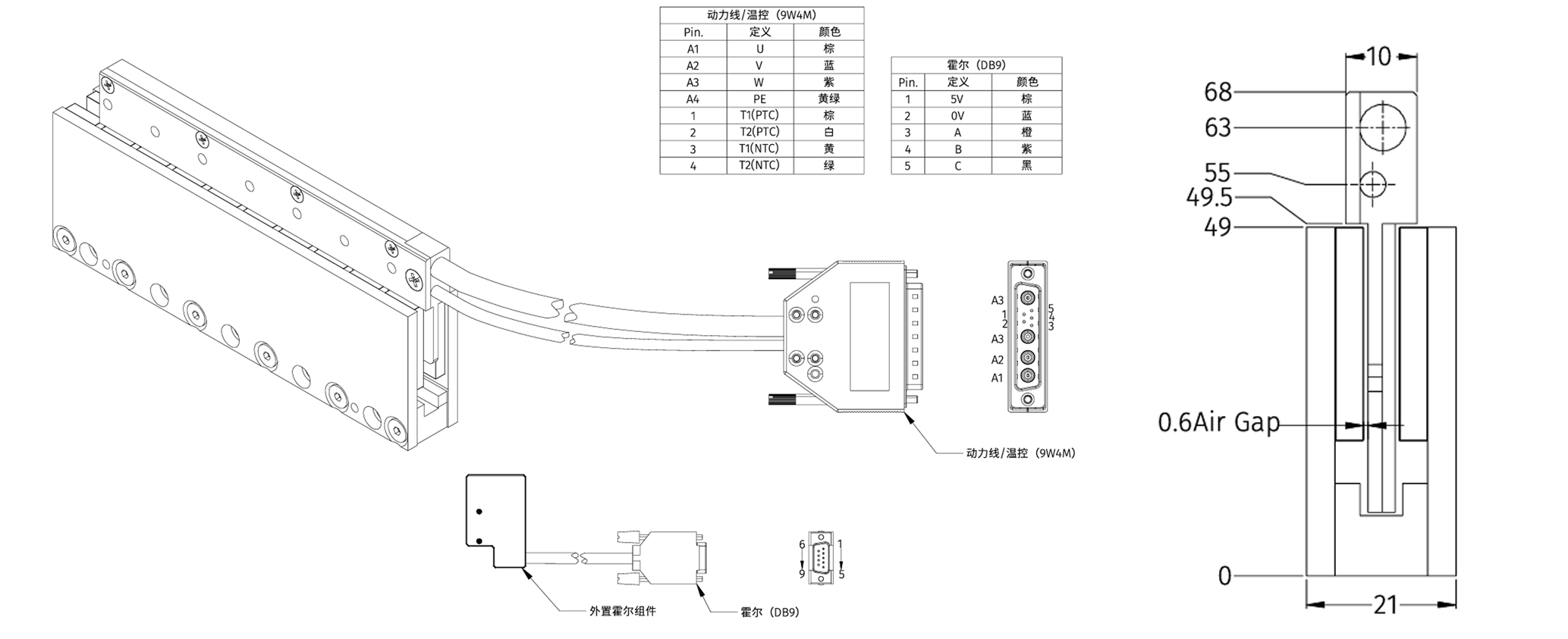
外形尺寸 |
|
线圈尺寸 |
|
磁轨尺寸 |
|