Menu

搜索更多信息

ZWDIR250-168

应用场景

划线设备 /FPD贴合设备/网版印刷设备 /FPD检测设备晶圆切割设备/包装设备/晶圆加工设备/晶圆检测设备 X射线分析设备 /PE印刷设备/精密加工设备和测量设备/压铸设备

产品介绍


1726209507.png

产品特点

高扭矩密度

转动惯量小

大中心孔方便布线

高分辨率光学编码器

独有外观专利


1726209533.png

结构特点

大惯量比带载能力

高精度定位

结构简单,节省空间

速度稳定性高

高响应运行

中空结构,使设备结构紧凑

无油压装置,提高了安全性和环境洁净度易维护



产品参数

image.png

外形尺寸

转矩 -转速曲线 @310V

image.png

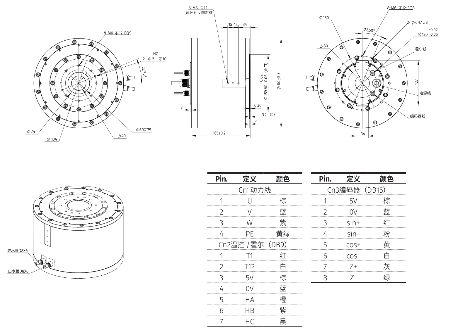
尺寸图

image.png