划线设备 /FPD贴合设备/网版印刷设备 /FPD检测设备晶圆切割设备/包装设备/晶圆加工设备/晶圆检测设备 X射线分析设备 /PE印刷设备/精密加工设备和测量设备/压铸设备
产品特点 高扭矩密度 转动惯量小 大中心孔方便布线 高分辨率光学编码器 独有外观专利 |
结构特点 大惯量比带载能力 高精度定位 结构简单,节省空间 速度稳定性高 高响应运行 中空结构,使设备结构紧凑 无油压装置,提高了安全性和环境洁净度易维护 |
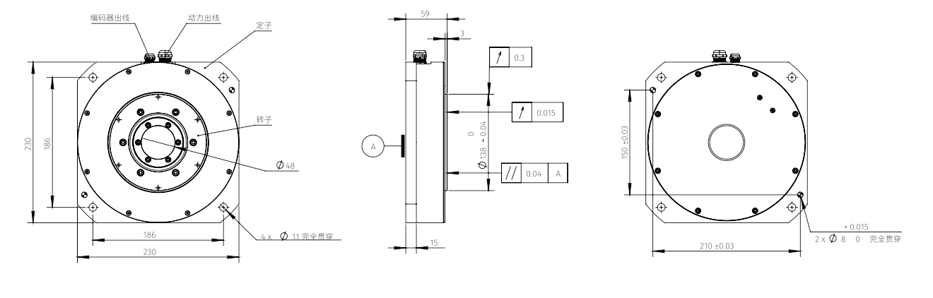
电机型号 | ZWDIR230-59 | ||||
性能参数 | 符号 | 单位 | S | ||
电机直径 | ∅ | mm | 230 | ||
电机高度 | H | mm | 59 | ||
持续转矩(自冷)@100C① | Tcn | Nm | 12 | ||
峰值转矩 | Tpk | Nm | 40 | ||
转矩常数±10% | Kt | Nm/Arms | 4.71 | ||
反 电动势常数±10% | Ke | Vpeak/rpm | 0.51 | ||
电机常数@25C | Km | Nm/Sqrt(W) | 3.74 | ||
线电阻@25C ±10%② | R25 | Q | 6.67 | ||
线电感±20%③ | L | mH | 28.27 | ||
电气时间常数 | Te | ms | 4.4 | ||
持续电流(自冷)@100C① | lcn | Arms | 2.55 | ||
峰值电流 | Ipk | Arms | 7.77 | ||
最高线圈温度 | tmax | C | 100 | ||
最高母线电压 | Ubus | W/ C | 310 | ||
极数 | 2P | - | 30 | ||
推荐最高转速④ | Qmax | rpm | 500 | ||
机械参数 | |||||
总质量 | m | kg | 11 | ||
转动惯量 | Jr | Kg·m2 | 0.01 | ||
轴向跳动⑤ | - | um | 15 | ||
径向跳动⑤ | - | um | 30 | ||
最大轴向荷载 | - | N | 400 | ||
编码器参数 | |||||
分辨率 | - | arc sec | 0.154 | ||
定位精度⑦ | - | arc sec | ±4 | ||
重复定位精度⑦ | - | arc sec | ±2 | ||
其它信息 | |||||
绝缘等级 | H级绝缘 | ||||
防护等级 | IP40 | ||||
环境温度 | 工作温度 | 0C至40C(无结冰) | |||
储藏温度 | -15C至70℃(无结冰) | ||||
环境湿度 | 工作湿度 | 相对湿度10%至80%(无冷凝) | |||
储藏湿度 | 相对湿度10%至90%(无冷凝) | ||||
推荐工作环境 | 室内(无阳光直射);无腐蚀性气体、易燃气体、油雾或粉尘 | ||||
绝缘等级 | A级绝缘 | ||||
防护等级 | IP40 | ||||
环境温度 | 工作温度 | 0C至40C(无结冰) | |||
储藏温度 | -15C至70℃(无结冰) | ||||
环境湿度 | 工作湿度 | 相对湿度10%至80%(无冷凝) | |||
储藏湿度 | 相对湿度10%至90%(无冷凝) | ||||
推荐工作环境 | 室内(无阳光直射);无腐蚀性气体、易燃气体、油雾或粉尘 | ||||
①实际数据取决于环境散热情况。测量时环境温度为 25℃。
②电阻测量采用直流电流,不含线缆(标准 0.5m,可选)。
③电感测量频率设为 1kHz。
④测量基于 23位绝对值编码器和最大母线电压。
⑤标准端跳等级(更高精度选择详情可咨询我司进行定制)。
⑥不同安装方式,请参考安装示意图。
⑦测量基于 23位绝对值编码器和,标准端跳等级。
相关参数规格如有变动,恕不另行通知(可咨询我司)。
转矩 -转速曲线 @310V |
|
尺寸图 |
|
电机接线图 |
|