麦米电气旗下品牌
股票代码:002851
划线设备 /FPD贴合设备/网版印刷设备 /FPD检测设备晶圆切割设备/包装设备/晶圆加工设备/晶圆检测设备 X射线分析设备 /PE印刷设备/精密加工设备和测量设备/压铸设备
产品特点 高扭矩密度 转动惯量小 大中心孔方便布线 高分辨率光学编码器 独有外观专利 |
结构特点 大惯量比带载能力 高精度定位 结构简单,节省空间 速度稳定性高 高响应运行 中空结构,使设备结构紧凑 无油压装置,提高了安全性和环境洁净度易维护 |

转矩 -转速曲线 @310V |
|
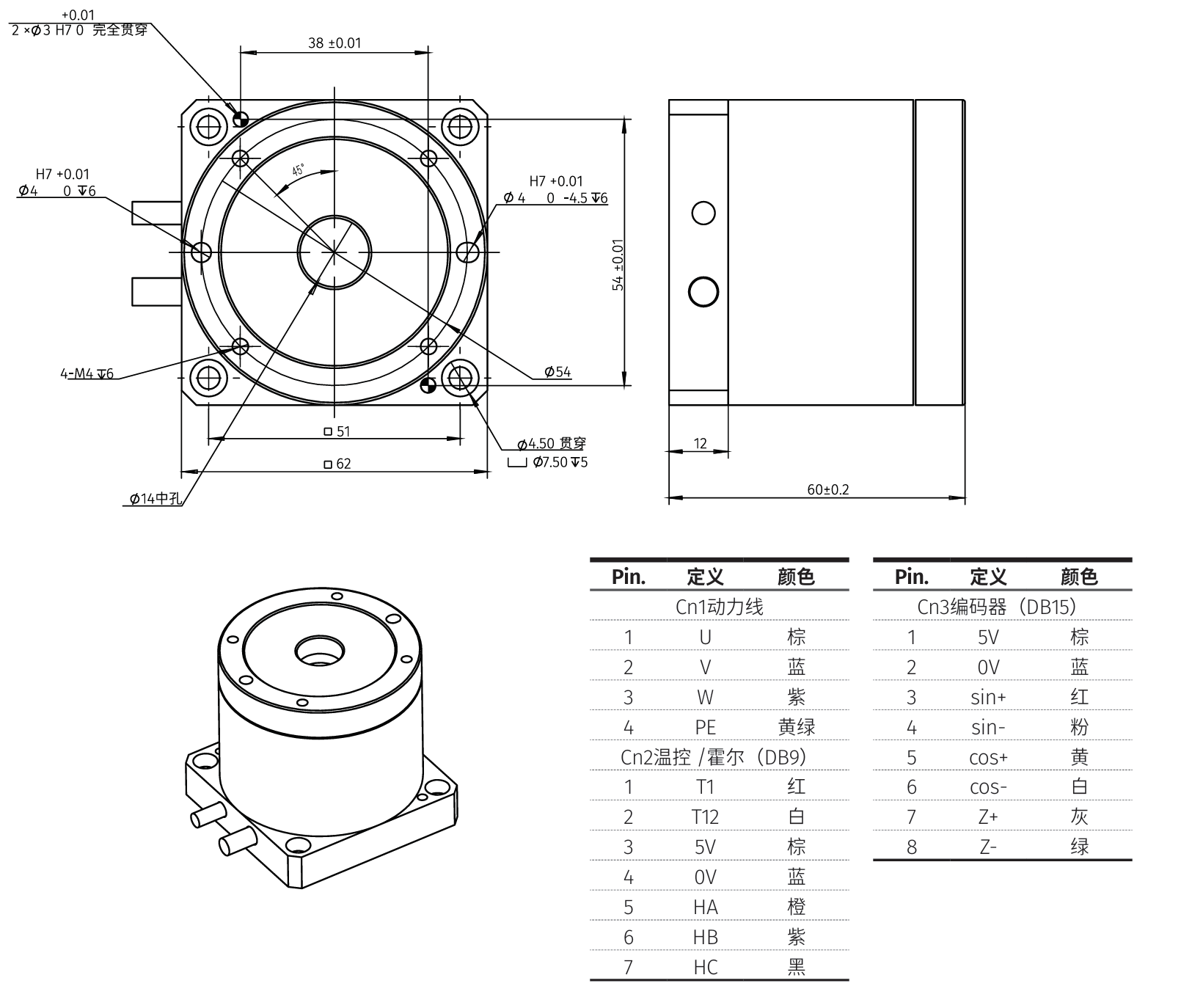
尺寸图 |
|